Замки Цербер:   Накладные   Врезные
новинки
о компании
наша продукция
прайс лист
презентация
где купить
заявка
e-mail
Контакты

Замок Цербер накладной С1-М    

Цербер С1-М

Замок накладной, сувальдный,
с симметричным ключом


Технические характеристики:
  • Тип механизма........сувальдный(8 сувальд)
  • Количество комбинаций.......более 100 000
  • Толщина полотна двери...............40-50 мм
  • Длина ключа.......................30*/45/60* мм
  • Количество полуоборотов........................4
  • Количество ключей..................................4
  • Масса.....................................................кг

    *оговаривается по просьбе клиента


  • Замок без переналадки устанавливается на правые и левые двери

    С наружной и внутренней стороны открывается одинаковыми ключами.
    Доступны различные варианты комплектации:
  • с российскими ключами
  • с итальянскими ключами
  • с запорной планкой
  • без запорной планки
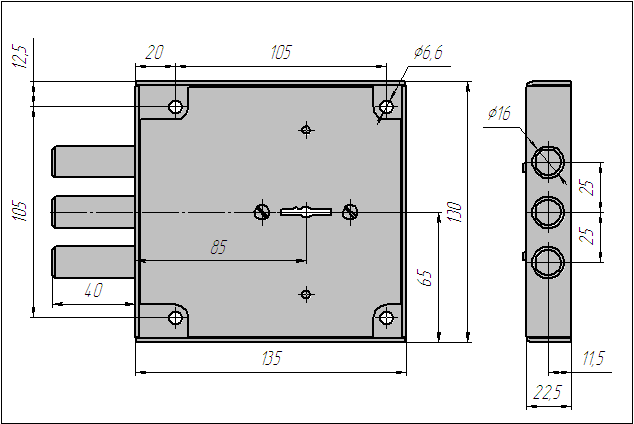
  • Габаритный чертеж накладного замка Цербер С1-М




    Тел.: (812) 412-56-72
             (812) 412-56-75
             (812) 412-56-78
    Сбыт-(812) 412-57-82


      Факс.: (812) 412-57-80


    Россия, 192019, Санкт-Петербург,
    ул. Фаянсовая, д. 22 "Е"
    ООО "ЦЕРБЕР"-замки,производство, реализация 



    Яндекс цитирования
    Цербер Википедия
    Замок в Википедии